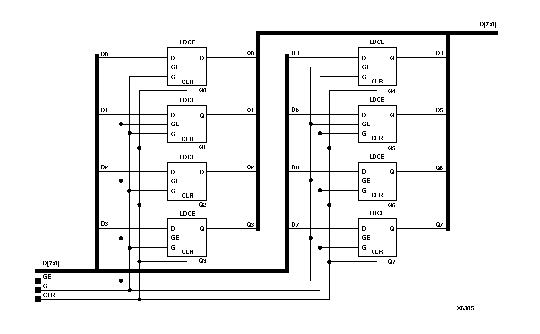
Figure 7.14 LD8CE Implementation XC4000X, XC5200, SpartanXL, Virtex

LD8CE Implementation XC4000X, XC5200, SpartanXL, Virtex figures/x6385n.gif