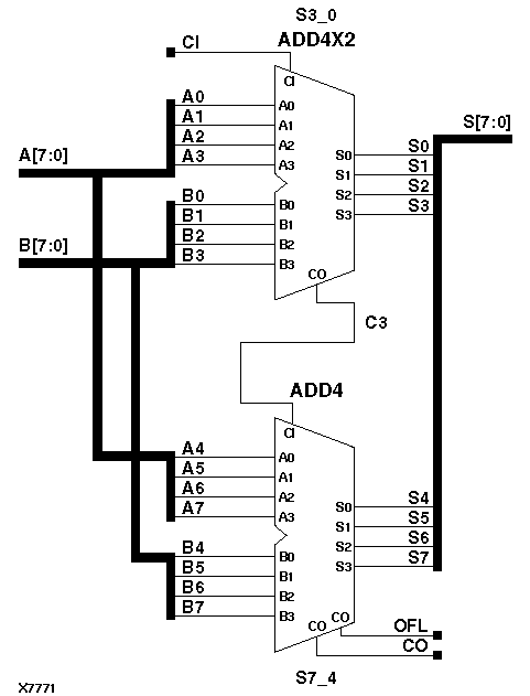
Figure 3.14 ADD8 Implementation XC9000

ADD8 Implementation XC9000 figures/x7771.gif