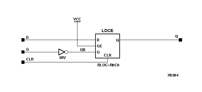
Figure 7.10 LDC_1 Implementation XC5200

LDC_1 Implementation XC5200 figures/x6384n.gif