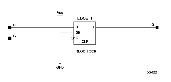
Figure 7.4 LD_1 Implementation XC4000X, SpartanXL

LD_1 Implementation XC4000X, SpartanXL figures/x7422n.gif