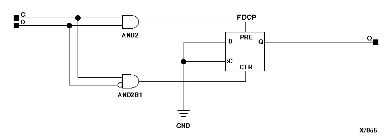
Figure 7.3 LD Implementation XC9000

LD Implementation XC9000 figures/x7855.gif