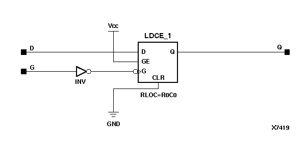
Figure 7.1 LD Implementation XC4000X, SpartanXL

LD Implementation XC4000X, SpartanXL figures/x7419n.gif