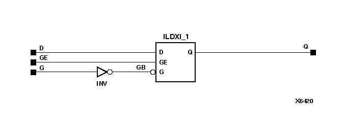
Figure 6.41 ILDXI Implementation XC4000, Spartans

ILDXI Implementation XC4000, Spartans figures/x6420n.gif