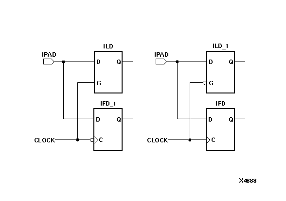
Figure 6.22 Legal Combinations of IFD and ILD for a Single IOB in XC4000 or Spartans

Legal Combinations of IFD and ILD for a Single IOB in XC4000 or Spartans figures/x4688n.gif