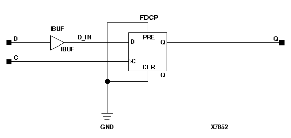
Figure 6.6 IFD Implementation XC9000

IFD Implementation XC9000 figures/x7852.gif