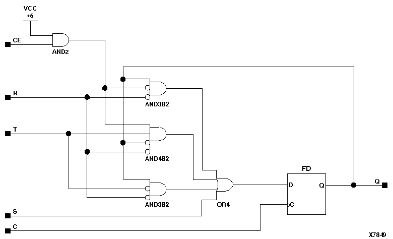
Figure 5.70 FTSRE Implementation XC9000

FTSRE Implementation XC9000 figures/x7849.gif