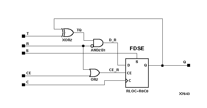
Figure 5.69 FTSRE Implementation XC3000, XC4000, XC5200, Spartans, Virtex

FTSRE Implementation XC3000, XC4000, XC5200, Spartans, Virtex figures/x7643.gif