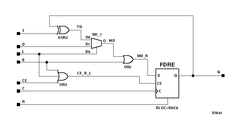
Figure 5.67 FTRSLE Implementation XC3000, XC4000, XC5200, Spartans, Virtex

FTRSLE Implementation XC3000, XC4000, XC5200, Spartans, Virtex figures/x7641.gif