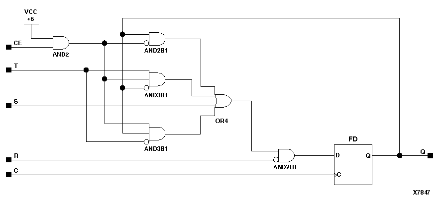
Figure 5.66 FTRSE Implementation XC9000

FTRSE Implementation XC9000 figures/x7847.gif