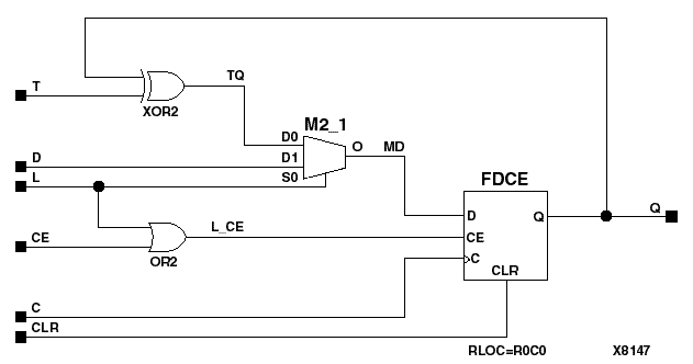
Figure 5.54 FTCLE Implementation XC4000, XC5200, Spartans, Virtex

FTCLE Implementation XC4000, XC5200, Spartans, Virtex figures/x8147.gif