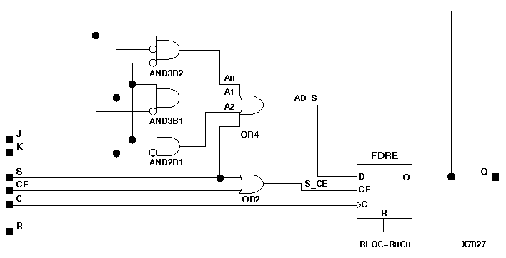
Figure 5.44 FJKRSE Implementation XC3000, XC4000, XC5200, Spartans, Virtex

FJKRSE Implementation XC3000, XC4000, XC5200, Spartans, Virtex figures/x7827.gif