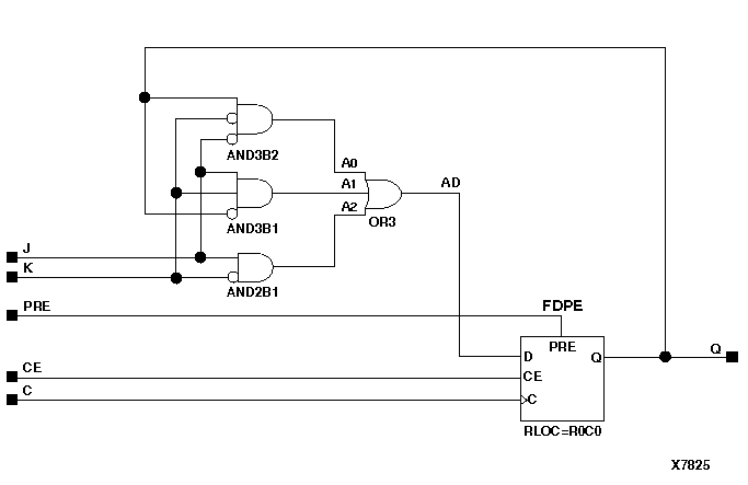
Figure 5.42 FJKPE Implementation XC4000, XC5200, Spartans, Virtex

FJKPE Implementation XC4000, XC5200, Spartans, Virtex figures/x7825.gif