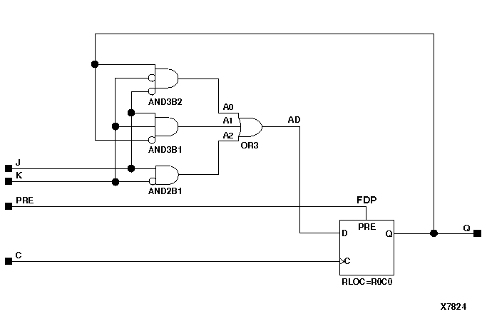
Figure 5.40 FJKP Implementation XC4000, XC5200, Spartans, Virtex

FJKP Implementation XC4000, XC5200, Spartans, Virtex figures/x7824.gif