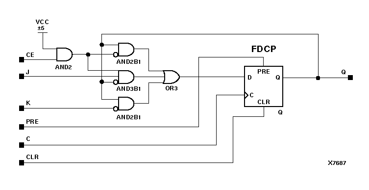
Figure 5.39 FJKCPE Implementation XC9000

FJKCPE Implementation XC9000 figures/x7687.gif