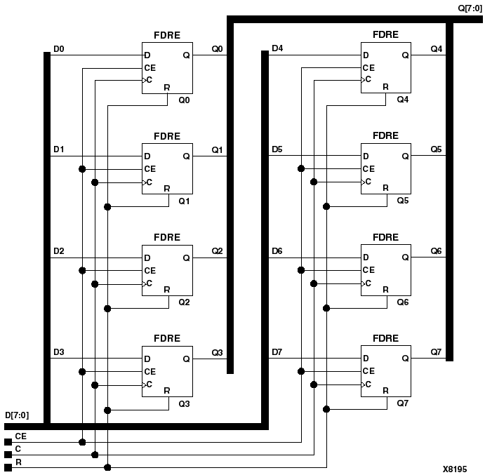
Figure 5.9 FD8RE Implementation XC3000, XC4000, XC5200, XC9000, Spartans, Virtex

FD8RE Implementation XC3000, XC4000, XC5200, XC9000, Spartans, Virtex figures/x8195.gif