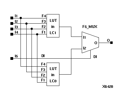
Figure 5.1 Two LUTs in Parallel Combined to Create a 5-Input Function

Two LUTs in Parallel Combined to Create a 5-Input Function figures/x6428n.gif