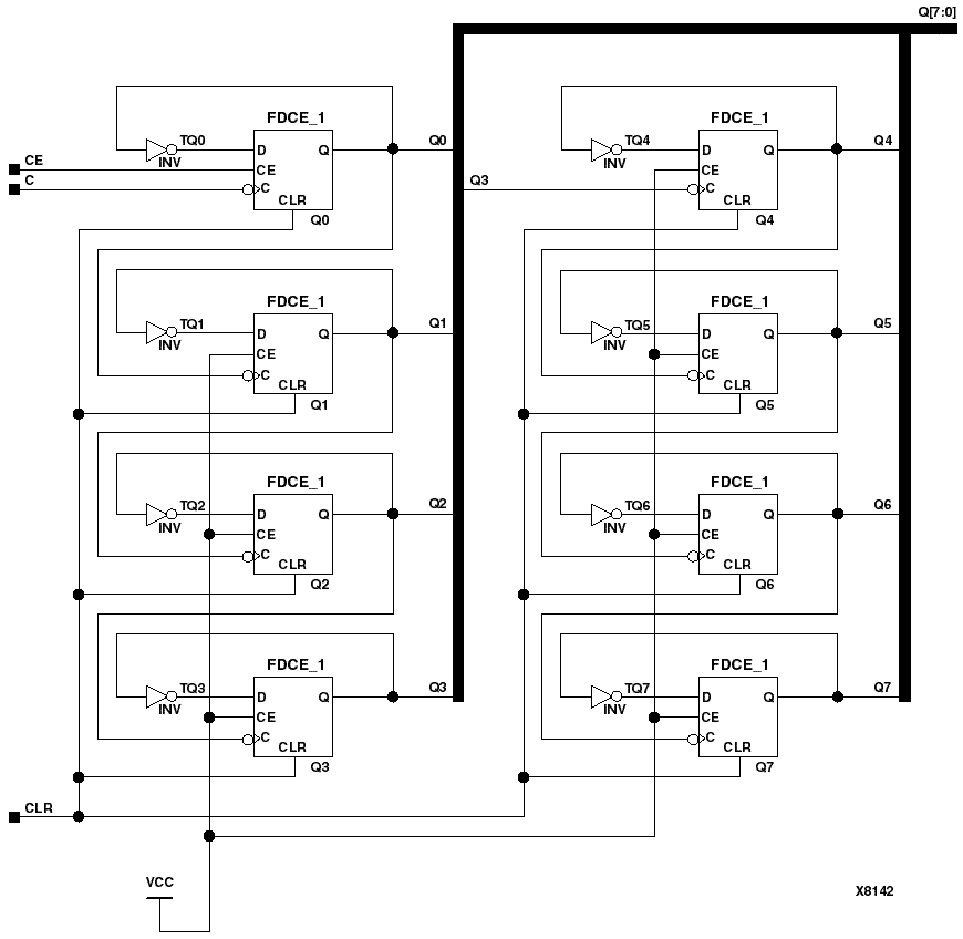
Figure 4.50 CR8CE Implementation XC4000, XC5200, Spartans, Virtex

CR8CE Implementation XC4000, XC5200, Spartans, Virtex figures/x8142.gif