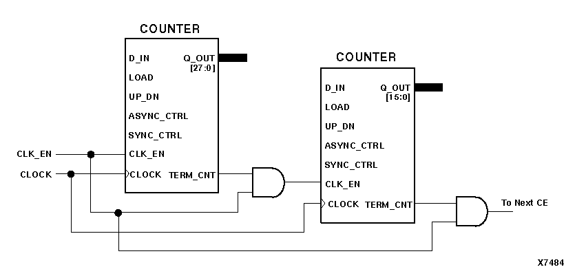
Figure 4.9 Cascading Counters with Clock Enable

Cascading Counters with Clock Enable figures/x7484.gif