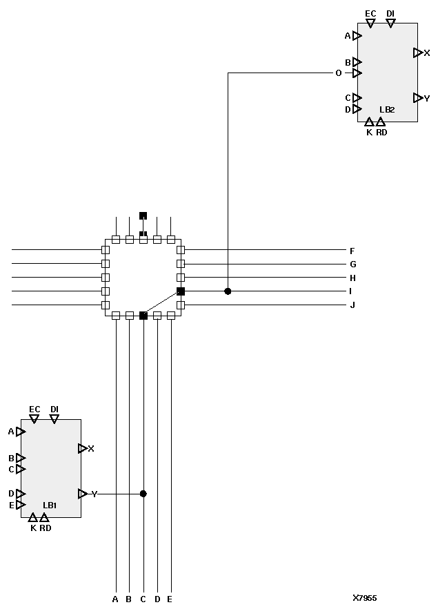
Figure 6.1 Routing Example

Routing Example figures/x7955.gif