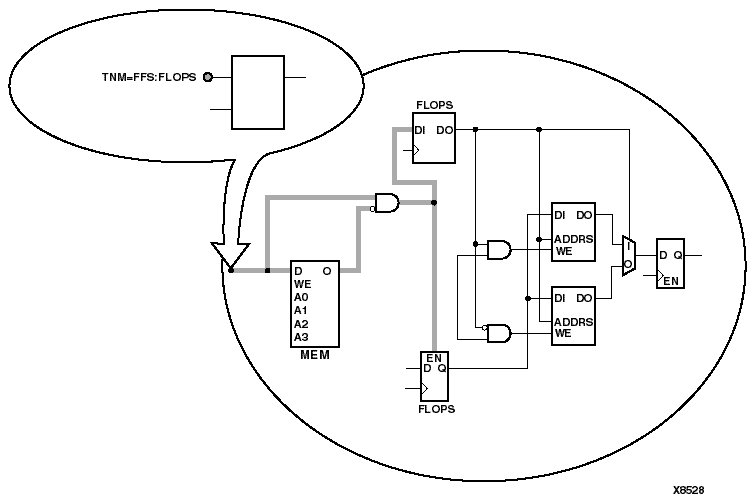
Figure 4.4 TNM Placed on a Macro Pin

TNM Placed on a Macro Pin figures/x8528.gif