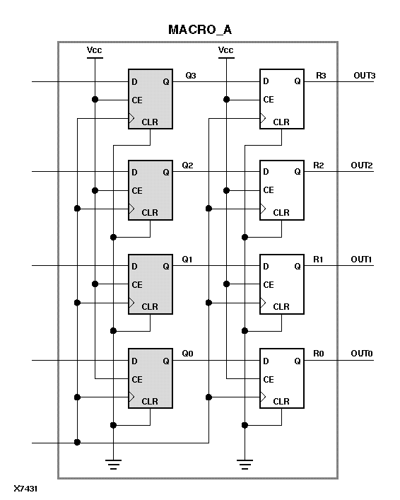
Figure 4.2 Using Qualifiers with Predefined Groups

Using Qualifiers with Predefined Groups figures/x7431.gif