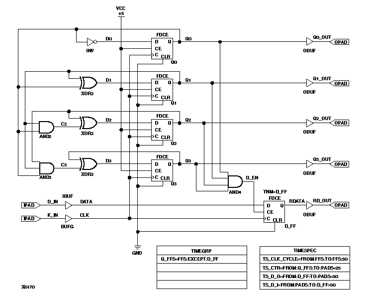
Figure 4.19 Example of Using TNMs and TIMEGRPs in Your Schematic

Example of Using TNMs and TIMEGRPs in Your Schematic figures/x6170n.gif