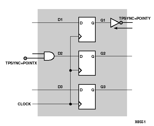
Figure 4.17 TPSYNCs Attached to Macro Pins

TPSYNCs Attached to Macro Pins figures/x8551.gif