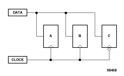
Figure 4.14 Using Timegroups with Registers

Using Timegroups with Registers figures/x8458.gif