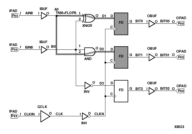
Figure 4.7 TNM on Net Used to Group Flip-Flops

TNM on Net Used to Group Flip-Flops figures/x8553.gif