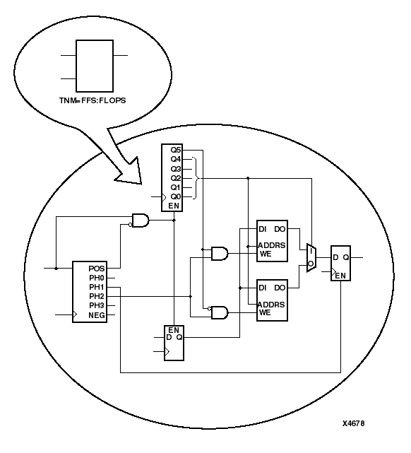
Figure 4.6 TNM on Macro Symbol

TNM on Macro Symbol figures/x4678n.gif